Система водоотвода из нержавеющей стали Euro 150
Система водоотвода из нержавеющей стали Euro 150
- Масса: 0.00 кг
- Подходит для:
Промышленный сектор, Пищевая промышленность
- Самовывоз со склада: Понедельник - Пятница / 900-1600
- Курьерская компания: 24/24часа
- Самовывоз со склада: Понедельник - Пятница / 900-1600
Система водоотвода из нержавеющей стали Euro 150
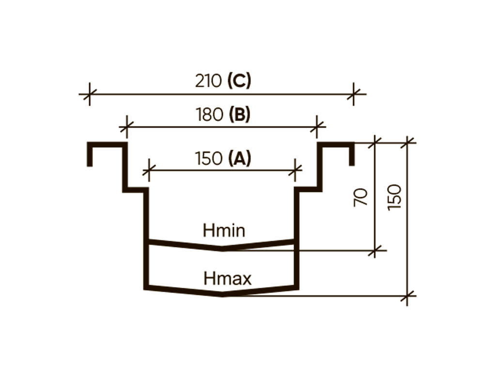
Лотки линейного водоотведения EURO 150 из нержавеющей стали с профилем дна 170° — идеальное решение для производственных предприятий, пищевой и фармацевтической отрасли, а также для ресторанов и объектов общественного питания. Оптимальная форма лотка обеспечивает высокую пропускную способность, стабильный отвод воды и предотвращает застой сточных вод даже при интенсивных нагрузках.
Ключевые преимущества:
-
Гигиеничность и санитарная безопасность: специальные гидрозатворы и конструктив лотков препятствуют распространению запахов и бактерий, поддерживая чистоту производственных и обслуживающих зон.
-
Травмобезопасные решетки: безопасны для персонала и оборудования, подходят для пешеходных зон и проезда тележек с продукцией. По желанию решетки могут изготавливаться с антискользящим покрытием, что повышает безопасность и снижает риск падений на влажных поверхностях.
-
Возможность уклона дна 5 %: лотки могут изготавливаться с уклоном 5 % (5 мм на 1 м длины), что позволяет организовать эффективное водоотведение с горизонтальных площадей и производственных цехов.
-
Универсальность и гибкость проектирования: возможна установка пластинчатых, перфорированных, ячеистых и щелевых решеток под разные классы нагрузки L15 (15 kN); R50 (50 kN); M125 (125 kN) и уровень загрязнения стоков.
-
Долговечность и стойкость к коррозии: изготовлены из нержавеющей стали AISI 304 или 316 — идеальны для влажных и агрессивных сред пищевых и фармацевтических производств.
-
Соответствие санитарным нормам: облегченный монтаж и обслуживание, минимизация скопления загрязнений, интеграция со всеми напольными покрытиями.
Применение: мясоперерабатывающие и птицеперерабатывающие предприятия, молочные и пищевые производства, винодельческие и консервные фабрики, пивоваренные предприятия, линии розлива и упаковки, зоны мойки оборудования, фармацевтические производства, текстильные и легкопромышленные объекты, предприятия по производству сельскохозяйственной техники и машин, производственные цеха переработки фруктов и овощей, предприятия строительных материалов, рестораны и объекты общественного питания, пешеходные и технологические проходы.
Тут вы можете > Загрузить техническую документацию системы водоотвода EURO 150
Индивидуальные проектные решения от инженеров Vodaland
Инженеры проектного сервиса Vodaland готовы бесплатно разработать оптимальное проектное решение под каждый тип объекта, включая линии водоотведения и узлы системы. По результатам работы предоставляются полные технические чертежи и схемы монтажа в формате pdf\dwg, что позволяет упростить проектирование и внедрение системы.
Для консультации и заказа проектного решения свяжитесь с нами:
-
Электронная почта: proiecte@vodaland.md
-
Телефон: +373 68 930 301
Изготовление заказов и поставка систем Vodaland
Системы Vodaland изготавливаются под заказ на нашем современном производстве в Украине с учётом всех требований конкретного объекта. Сроки производства и поставки в Молдавию могут зависеть от сезонной загрузки и других факторов.
Чтобы гарантированно получить продукцию вовремя и без задержек, мы рекомендуем заранее обращаться за разработкой технических решений и оформлять заказ. Это позволяет спланировать проект, оптимизировать монтаж и обеспечить бесперебойную работу систем на вашем объекте.
Система внутреннего водоотвода EURO 150 — надежное, долговечное и гигиеничное решение, которое упрощает проектирование и эксплуатацию водоотводной инфраструктуры на пищевых, фармацевтических и производственных объектах, а также в ресторанах и сфере общественного питания.
- Промышленный сектор
- Пищевая промышленность
Отзывы клиентов
Расскажите нам, что вы думаете!
Вопросы и ответы
0 вопросы и ответы
Мы даем вам полезную информацию о продуктах и предметах, которые вы хотите купить в Интернете. Мы надеемся помочь вам принять правильное решение. Смело звоните, и консультант поможет Вам выбрать правильный товар.
Подпишитесь на наш канал —
вы найдете много практических и полезных советов по установке нашей продукции!









