Мини насосная станция Qmax=9 м³/ч
Мини насосная станция Qmax=9 м³/ч
вторник, 28 октября 2025
- Код товара: MSP-0,15
- Масса: 0.00 кг
- Подходит для:
Частный сектор (Коттеджное строительство), Промышленный сектор, Сантехника, Канализационные сети
- Самовывоз со склада: Понедельник - Пятница / 900-1600
- Курьерская компания: 24/72часа
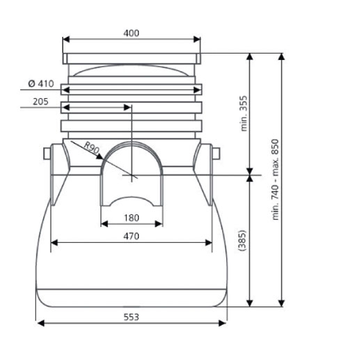
Мини насосная станция с накопительной емкостью (объем 75 литров), снабженная погружным насосом и автоматическим датчиком включения / выключения. Идеальное решение для сбора и откачки сточных и ливневых вод на уровень до 5,8 метров выше места установки насосной станции.
Области применения: подземные паркинги, подвалы, другие места где есть необходимость собирать и систематически откачивать воду за предела помещения.
Технические характеристики
|
Номинальная мощность [кВт] |
0.33 |
|
Класс изоляции |
B |
|
Максимальный расход [м³ / ч], при высоте = 1 М |
6.0 |
|
Минимальный расход [м³ / ч], при высоте = 5.5 М |
1.2 |
|
Вес [кг] |
18 |
|
Максимальный напор [м] |
5.8 |
|
Степень защиты |
IP X8 |
|
Максимальный диаметр взвешенных частиц при откачке [мм] |
30 |
|
Диаметр [мм] |
550 |
|
Максимальная рабочая температура жидкости [°C] |
35 |
|
Источник питания [В/Гц] |
220/50 |
|
Высота [мм] |
740 |
Самые лучшие цены и разнообразие ассортимента на ливневые системы водоотвода, люки канализационные из чугуна и композита, трубы для наружной канализации, настилы из оцинкованной стали, гидроизоляция, мембрана, материалы для обустройства территории, насосные станции, сепараторы нефтепродуктов и жиров, станции очистки бытовых стоков, резервуары - вы найдете у нас по адресу: Р. Молдова, г. Кишинев, ул. Заводская 169.
- Частный сектор (Коттеджное строительство)
- Промышленный сектор
- Сантехника
- Канализационные сети
Отзывы клиентов
Расскажите нам, что вы думаете!
Вопросы и ответы
0 вопросы и ответы
Подпишитесь на наш канал —
вы найдете много практических и полезных советов по установке нашей продукции!



